Abstract This chapter describes how to use location tolerances to specify an allowable location error. The location tolerances that should be used, in function of the feature of the workpiece that has to be located, are in particular presented. The effects of the material condition requirement and the correct choice of the modifiers for position tolerances (axis and surface interpretation) are illustrated. Particular emphasis is given to the location of the patterns, as introduced with the new rules of the ISO 5458:2018 standard (multiple indicator pattern specification and simultaneous requirement). When geometrical position tolerances are applied, the value of the tolerance is calculated from the mating conditions (fixed and floating fastener conditions). The ASME standards specify, without any shadow of doubt, that the position tolerance symbol should only be utilised for a “feature of size”, while the ISO standards allow it to be used to position a planar surface. The ISO standards are defined as “CMM Friendly”, that is, the preferred control system is the coordinate measurement machine, while the ASME standards are based on functional gauges that represent a physical representation of the tolerance zone. A special functional application of location tolerances is to control concentricity and symmetry. These controls have been removed from the new ASME standard.
9.1 Introduction
Location tolerances establish the variations that are permitted, with respect to a fixed theoretical location, of a feature of a component with respect to one or more datums. Table 9.1 indicates the location tolerances that should be used in function of the features of the workpiece that has to be located. A location tolerance may be used to locate an axis or a median plane extracted from a feature of size and, if it is necessary to locate the border of a feature of size (for example, the boundary of a hole to ensure the passage of a screw), it is possible to add a maximum or least material modifier. In order to locate a cylinder, with respect to a datum axis, apart from the location, it is possible to use both a run-out control and a profile. Finally, in order to locate a surface with respect to one or more datums, it is possible to use the control of the profile, which is dealt with in detail in the next sections.
Table 9.1 Geometrical tolerances that can be used in function of the geometrical feature of the workpiece that has to be located
Figure 9.1 shows an example of the positioning of some features of a component. The 6mm diameter hole has the role of positioning,with the smallest possible error, the axis of a reference pin; as there are no modifiers, the error zone is represented by a 0.1mm diameter cylinder,whose centre is defined by a theoretically exact dimension.
The pattern of 9mm holes of a bolted joint (with a large diameter in order to accommodate the bolt size), is located by means of a position tolerance with a maximum material requirement, which has the objective of positioning six MMVC boundaries,with an MMVS of 8.44mm.
The groove and the 100mm cylindrical surface are located with a profile tolerance which indirectly controls the shape and size. Finally,the coaxiality of the 24mm diameter hole is controlled by a run-out tolerance.
Fig. 9.1 How to control the location of some features of a component
9.2 Position Tolerances
Position tolerances are mainly used to locate a features of size, that is, to define a zone within which a centre point, a derived axis, a median plane or an MMVC is permitted to move from a theoretically exact position. Therefore, location tolerances make use of theoretically exact dimensions (TED) to establish the theoretical location of the features that have to be located with respect to the datum planes, and from which to control the location and orientation of the tolerance zones.
In ISO standards, the position tolerance can be applied to planar surfaces, cylindrical features (such as shafts and holes) and to non-cylindrical features, such as slots, ruts, ribs, etc., and the symbol that should be used is indicated in Fig. 9.2.
In order to understand the advantages of position tolerances, reference can be made to Fig. 9.3, where two different methods are shown for the positioning of a hole:
(a) coordinate tolerances, where the hole is located according to the dimensional tolerances.
(b) Position tolerance, with the use of theoretically exact dimensions.
In the first case (Fig. 9.4a), the cross section of the 3D tolerance zone may be represented by a 2D square zone, if the tolerances are the same along both the vertical and horizontal directions, or by a 2D rectangle zone, under the hypothesis of different tolerances (Fig. 9.4b). The position of a point of the extracted median line may vary inside the tolerance zone, and the maximum deviation may therefore occur along the diagonal; if the side of the square is, for example, 0.2 mm, the maximum deviation will be equal to:
Fig. 9.2 The position tolerance symbol
Fig. 9.3 Comparison of coordinate tolerancing and position tolerances with the use of theoretically exact dimensions
Fig. 9.4 Coordinate tolerancing: square tolerance zone (a), rectangular tolerance zone (b)
that is, a 1.41 times larger tolerance than the specified one is thus obtained.
In the case of a rectangular tolerance zone, where the dimensional tolerances are indicated with {l}_{1} and {l}_{2} ,the maximum allowable displacement is obviously equal to:
and is therefore equal to 0.4mm for the case shown in Fig. 9.4b.
Coordinate positioning offers the following advantages:
(a) it is a simple and easy to understand system, and it is frequently used;
(b) it allows controls to be made with ordinary equipment, without the need of functional gauges or other more sophisticated systems.
However, it also introduces the following disadvantages:
(a) as already seen, a square or rectangular tolerance zone allows a variation of the greatest position of the indicated error; it is therefore necessary to specify, in the drawings, a restricted tolerance of 70% of that which would be functionally acceptable;
(b) it is possible to have an increase in the error when a dimensioning is used in series (accumulation of tolerances);
(c) there is a risk of functional components being discarded.
With a cylindrical zone positioning tolerance (assuming a tolerance value equal to the maximum allowable error in the coordinate system), a {0.28}\mathrm{\;{mm}} diameter cylinder is obtained equal to the diagonal of the square zone (Fig. 9.5), with the advantage of obtaining 57% of additional tolerance.
Moreover, workpieces that would otherwise be discarded can be accepted, and this represents a significant manufacturing advantage.
However, the greatest advantage of the geometrical dimensioning tolerance is obtained through the use of the positioning control together with the Maximum Material requirement (MMR). In fact, if a maximum material modifier is inserted after the tolerance value (Fig. 9.6), an even greater increase in the tolerance zone is obtained: a tolerance of {0.28}\mathrm{\;{mm}} when the hole is at the maximum material condition ( {9.9}\mathrm{\;{mm}} diameter) becomes {0.48}\mathrm{\;{mm}} when the hole is at the least material condition (10.1 mm diameter). A tolerance “bonus” (the portion of the tolerance zone that falls between two cylinders with diameters of {0.28}\mathrm{\;{mm}} and {0.48}\mathrm{\;{mm}} ) is thus obtained, and this leads to a further reduction in the number of discarded workpieces.
Fig. 9.5 The tolerance zone is cylindrical,with a bonus of 57% for the same tolerance as the square zone
Fig. 9.6 Advantage of the application of the Maximum Material requirement
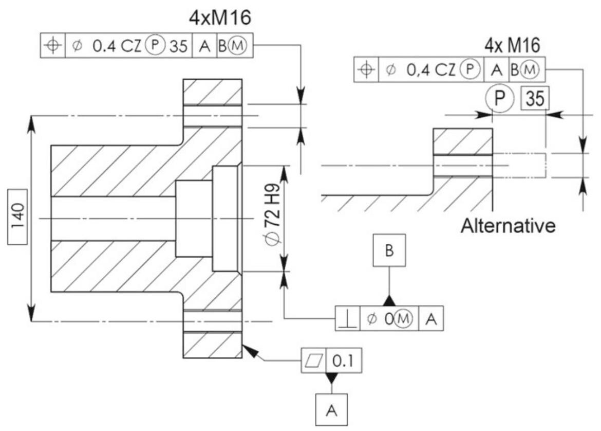
Fig. 9.7 Cylindrical tolerance zone of a position tolerance. It is advisable to indicate the surface that is theoretically perpendicular to the hole axis as the primary datum in order to control the perpendicularity deviation
Another advantage of the use of geometrical tolerances is that it prevents unwanted tolerance accumulation over a dimensioning of holes in series, in that each tolerance is related to its own exact theoretical position.
It is advisable, in the case of position tolerances, to indicate the surface that is theoretically perpendicular to the hole axis as the primary datum in order to control the perpendicularity deviation. The extracted, or derived, median line must remain within a 0.28mm diameter cylinder,the axis of which is perpendicular to datum A, and positioned in a theoretically exact way with respect to datums B and C. The cylindrical three-dimensional tolerance zone is of the same length as the thickness of the workpiece (Fig. 9.7).
9.2.1 Position Tolerance Applied to Median Surfaces
A position tolerance is generally used not only to control the position of features of size, such as shafts and holes, but also that of slots and tenons with a symmetry median plane that can be mated.
The position tolerance shown in Fig. 9.8 is used to control the position of a slot: the tolerance zone is limited by two parallel planes 0.2mm apart,and symmetrically arranged with respect to the median plane of the feature whose position is fixed with a theoretically exact dimension with respect to datum B (Fig. 9.9).
The median plane of 8 external features, which are arranged radially, is instead controlled in Fig. 9.10. In this case, the extracted median surface should fall within two parallel planes 0.05mm apart and arranged symmetrically around the theoretically exact position of the median plane, which is positioned with respect to datum A.
Fig. 9.8 Use of a position tolerance to control the location of a slot
Fig. 9.9 The extracted median surface should fall between two parallel planes 0.1 apart, which are symmetrically arranged about the theoretically exact position of the median plane, with respect to datum planes A and B
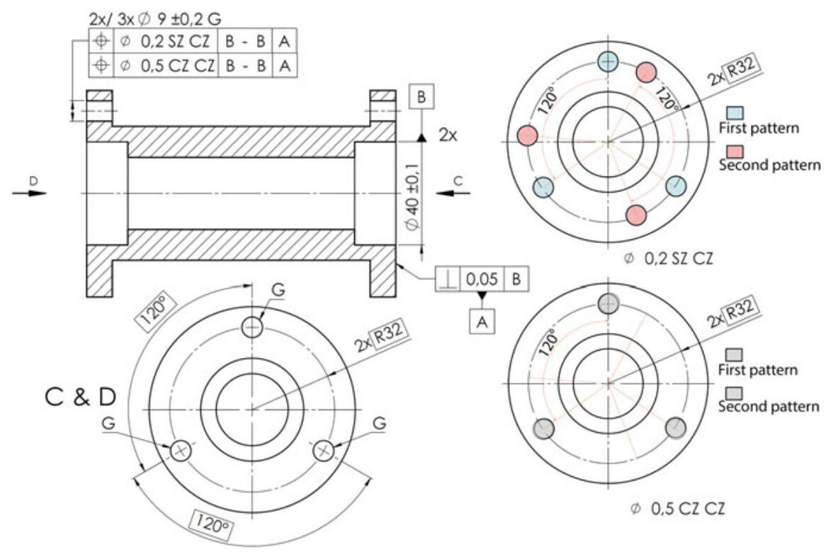
When the modifier SZ (Separate Zone) is used, the angle between the 8 tolerance zones is not restrained. On the other hand, the symbol CZ (Combined Zone) allows the tolerance zone to be blocked at intervals of 45° .
Fig. 9.10 Control of the median plane of 8 external features arranged radially. The two alternative symbols, SZ (Separate Zone) and CZ (Combined Zone), are used in the figure
9.2.2 Choice of the Modifiers for Position Tolerances
Three different methodologies exist for the control of the effect of a position tolerance:
- Regardless of feature size (RFS in ASME), without any material condition modifier, as in the drawing of the Fig. 9.5. The specified geometric tolerance is independent of the actual size of the feature, according to ISO 8015.
- Axis or centreplane methodology, in which an MMR or LMR requirement is used. In this case, an extracted median line or a plane of a feature of size should fall within the tolerance zone. The specified tolerance value applies only where the feature of size is at the MMC. Where the size departs from the MMC, the positional tolerance increases. This increase in the positional tolerance is equal to the difference between the actual size and the specified MMC tolerance value.
- Surface methodology, in which a theoretical boundary (MMVC or LMVC) controls the positioning of the surface of a feature of size. In this case, the indication of a modifier is obligatory. While maintaining the specified size limits of the feature, no element of the surface should violate this theoretical boundary.
The interpretation of the position control of an axis and the surface of a hole is shown in Fig. 9.11. The most unfavourable condition is obtained by subtracting the position tolerance \left( {{0.2}\mathrm{\;{mm}}}\right) from the maximum material size \left( {{30}\mathrm{\;{mm}}}\right) ,thus a maximum material virtual size (MMVS) of {29.8}\mathrm{\;{mm}} is obtained.
In the case of the axis methodology, when the hole is produced at minimum material condition (diameter of {30.3}\mathrm{\;{mm}} ),the position tolerance increase to a value of {0.5}\mathrm{\;{mm}} (bonus). In this way,a dynamic and functional relationship is expressed between the dimension of the feature that is subject to a dimensional tolerance and the position tolerance, which means that wider holes and shafts of smaller diameter may lead to larger position errors.
Fig. 9.11 Axis and surface interpretations for the position control of a hole
In the case of the surface methodology, the MMVC defines the theoretical mating boundary that should not be violated, whose position is controlled by the position tolerance, and which is a constant quantity. The axis of the cylindrical tolerance zone is fixed by theoretically exact dimensions with respect to datums A, B and C. The advantage of this specification is that it offers the possibility of utilising gauge pins for the control of the position of the holes.
The choice of modifiers (or of using no modifier), constitutes one of the most critical aspects for position tolerances. Table 9.2 summarises the choice criteria of the modifiers in function of the application modalities and the specific advantages that can be obtained.
Table 9.2 Selecting modifiers for position tolerances
Fig. 9.12 According to the ASME Y14.5:2018 standard, if the size requirements are satisfied and MMVC is not violated, the feature is acceptable, even if the axis of the associated feature is outside the positional tolerance zone
Figure 9.12 shows, as an example, a typical case of the interpretation of a position tolerance error using the axis or the surface method. According to the rule outlined in Sect. 10.3.3.1 of the ASME Y14.5:2018 standard, the surface method should take precedence over the axis method. Instead, if the size requirements are satisfied and the virtual condition is not violated, the feature is acceptable, even when the axis of the associated feature is outside the positional tolerance zone.
9.2.2.1 Effects of Specifying the MMR Requirement
Functional design is founded on a new way of conceiving a drawing, which is based on the dimensioning of workpieces according to their way of functioning; this is achieved with the advantage of improving communication, reducing controversies and above all introducing higher tolerances according to the philosophy: “making the largest possible tolerance allowed with the function available”.
The following example shows how it is possible to increase the value of a tolerance, without compromising the functional conditions, considering the effects of the gain in tolerance due to the application of a maximum material requirement to either the feature itself (bonus), or to the datum (shift).
Let us consider what is shown in Fig. 9.13, where plate “L” is mounted with the use of a screw and a reference pin. These functional conditions lead to the drawing of the plate shown in the same figure. The {11}\mathrm{\;{mm}} hole is positioned with respect to primary datum A (to control the orientation) and with respect to secondary datum D (axis of a {16}\mathrm{\;{mm}} the hole). Since the secondary datum is a feature of size,it is possible to reference the datum feature according to the MMR requirement. In this case, if the pin hole is produced at the least material condition (as wide as possible, that is, {16.27}\mathrm{\;{mm}} ),the position tolerance increases up to a value of {1.07}\mathrm{\;{mm}} ,as shown in the table.
Fig. 9.13 Datum A is considered a primary datum for the dimensioning of the L-shaped plate, and it controls the orientation of the {11}\mathrm{\;{mm}} hole,while secondary datum \mathrm{D} is a feature of size,and it is therefore possible to apply a modifier M, which allows a further bonus, called shift, to be obtained
However, it is necessary to pay particular attention to this type of indication since this additional tolerance is similar to a bonus, but it is not a bonus, and it is only available under certain conditions.
In short, the application of a maximum material modifier to a datum does not increase the tolerance zone, but simply allows an allowable movement of the datum feature (which is called “shift”) with respect to the functional datum.
Let us consider the coupling shown in Fig. 9.14, in which the mating between the plate takes place with 6 fixed fasteners. The two functional datums are constituted by the planar boundary surface (primary datum A) and the centring axis (secondary datum B). A third datum is not necessary, because of the symmetry of the holes.
Fig. 9.14 Mating between two plates with fixed fasteners
Fig. 9.15 Functional dimensioning of a flange: datum A is considered a primary datum, and it controls the orientation of the 6 holes, while secondary datum B is an axis, and it is therefore possible to apply a maximum material requirement
These functional conditions lead to the dimensioning of the first flange, as shown in Fig. 9.15. The six {17}\mathrm{\;{mm}} diameter holes are located with respect to primary datum A (to control the orientation) and with respect to secondary datum B ( {60}\mathrm{\;{mm}} hole axis). As the latter datum is a feature of size, it is possible to apply the maximum material requirement (MMR).
In this case, if the central hole is produced at the least material condition (as wide as possible,that is, {60.2}\mathrm{\;{mm}} ,with perfect perpendicularity with respect to the primary datum), the position tolerance of the 6 holes does not increase. In fact, in these conditions,the set of the 6 holes can only shift in any direction by {0.2}\mathrm{\;{mm}} with respect to the functional datums (Fig. 9.16).
It is thus possible to recover components that would otherwise be discarded during the control. However, it is advisable to only use this type of indication when the verification can only be conducted with functional gauges or with coordinate machines with advanced software.
9.2.2.2 Effects of Specifying the LMR Requirement
A minimum material modifier (least material requirement, LMR) is generally utilised in three applications:
(a) to control the minimum wall thickness;
(b) to ensure a minimum distance between one feature and another;
(c) to control a well-defined angular position.
Fig. 9.16 The central hole is at the least material condition \left( {{60.2}\mathrm{\;{mm}}}\right) with perfect perpendicularity. The modifier M on the indication of the datum B does not increase the position tolerance of the 6 holes,but it does allow a shift of the 6 holes by {0.2}\mathrm{\;{mm}} ,with respect to the functional datum,in any direction
In the case of Fig. 9.17, the LMR requirement is utilised when the greatest accuracy of the radial slot angular position is required in an axisymmetric part; the desired distance between the border of the slot and the theoretical position of the median plane of the same slot is thus maintained. In fact, for the least material condition, we obtain:
Fig. 9.17 Position tolerance with LMR applied to a series of radial slots. The distance between the face of a slot and the median plane of the datum is always kept constant \left( {{2.025}\mathrm{\;{mm}}}\right)
while,for the maximum material condition (the tolerance increases to {0.6}\mathrm{\;{mm}} ),we obtain:
Finally, Fig. 9.18 shows the utilisation of the least material requirement for the control of a wall thickness. The position tolerance is more limited \left( {{0.25}\mathrm{\;{mm}}}\right) when the hole is produced at the minimum material condition ( {4.2}\mathrm{\;{mm}} ,larger hole),while it increases up to a value of {0.5}\mathrm{\;{mm}} at the maximum material condition ({3.95}\mathrm{\;{mm}} , smaller hole).
Fig. 9.18 Control of thickness \mathrm{X} of a wall with the least material requirement
9.2.3 Pattern Location
The ISO 5458 standard establishes rules that are complementary to those of ISO 1101 to apply to pattern specifications and defines rules on how to combine individual specifications, for geometrical specifications e.g. using the position, symmetry, line and surface profile symbols as well the flatness one (in the case where the toleranced features are nominally coplanar). A pattern of features of size may require multiple levels of positional control, since it may require a larger tolerance for the datum system, but a smaller tolerance within the pattern.
According to the aforementioned standard, a pattern specification consists of both a set of more than one geometrical feature and a tolerance zone pattern. The set of tolerance zones in the tolerance zone pattern have internal constraints, which are defined by means of implicit or explicit TEDs. If necessary, external constraints to a tolerance zone pattern can be defined by referencing a datum system, with implicit or explicit TEDs.
The specification in Fig. 9.19 is not a pattern specification (SZ modifier). The toleranced feature is a collection of two extracted median lines. Each individual tolerance zone is considered independently (SZ modifier) and does not constitute a tolerance zone pattern. Each tolerance zone is a cylindrical zone with a diameter of {0.2}\mathrm{\;{mm}} ,where the axis is externally constrained in orientation to be parallel to datum A (implicit TED of {0}^{ \circ } ) and in location at a distance {25}\mathrm{\;{mm}} (explicit TED) from datum A. The tolerance zones of the two toleranced features are independent of each other and are not constrained between one another. The distance of {50}\mathrm{\;{mm}} \; \left( {{25} + {25}}\right) is not considered as an internal constraint between the tolerance zones (SZ modifier).
The specification in Fig. 9.20 is a pattern specification (CZ modifier). The toler-anced feature is the collection of two extracted median lines. The tolerance zone is a tolerance zone pattern (CZ modifier) composed of two {0.2}\mathrm{\;{mm}} diameter cylindrical zones, where their axes are internally (CZ modifier) constrained to be parallel in orientation and {50}\mathrm{\;{mm}} apart in location. Moreover,the tolerance zones are externally constrained in location at a distance of {25}\mathrm{\;{mm}} from datum A.
Fig. 9.19 Location of two independent tolerance zones from datum A
Fig. 9.20 Pattern specification. Two tolerance zones constrained between one another {50}\mathrm{\;{mm}} apart and located at a distance of {25}\mathrm{\;{mm}} from datum A
9.2.3.1 Indication of a Multiple Indicator Pattern Specification
In order to create a multiple indicator pattern specification, the SIM (simultaneous requirement) modifier should be indicated in the adjacent indication area of each related geometrical specification, with the option of following it with an identification number without a space.
The use of the SIM modifier transforms a set of more than one geometrical specification into a pattern specification. The tolerance zones of all the specifications are thus locked together with location and orientation constraints.
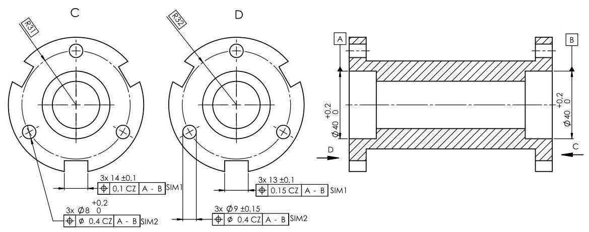
Two simultaneous requirements, defined by SIM1 and SIM2 indications, are shown in Fig. 9.21, and each simultaneous requirement should be considered individually. The two specifications linked together with the SIM1 indication both use a CZ modifier to create a tolerance zone pattern. The tolerance zone pattern is composed of two combined tolerance zone patterns:
- the first is a set of three tolerance zones,consisting of two parallel planes {0.1}\mathrm{\;{mm}} apart, for the three extracted median surfaces of the {14}\mathrm{\;{mm}} slots;
- the second is a set of three tolerance zones, consisting of two parallel planes apart,for the three extracted median surfaces of the {13}\mathrm{\;{mm}} slots.
The SIM1 modifier locks the two tolerance zone patterns together into a combined tolerance zone pattern of six \left( {{3x} + {3x}}\right) tolerance zones.
Fig. 9.21 Example of two separate simultaneous requirements applied to different pattern specifications
9.2.3.2 Indication of a Multi-Level Pattern Specification
The symbols in Table 9.3 are used to describe a multi-level single indicator pattern specification utilised to control \mathrm{n} identical features grouped in \mathrm{k} identical groups. A set of \mathrm{k} identical groups,each consisting of \mathrm{n} single identical features,should be indicated,using the notation k\mathrm{x} and n\mathrm{x} ,to create a multi-level single indicator pattern specification; k\mathrm{x} and n\mathrm{x} should be followed by a space and an identifier letter or symbol, in order to avoid ambiguities, with a slash as a separator and a space on both sides of the slash (e.g. {4x}/2 \times or 4 \times A/2 \times B ).
The identification letter can be used to establish a link with individual integral features, or with a group of integral features. The groups and the features should be indicated with a leader line and with a capital letter.
If the first element of the sequence is SZ and the following element is SZ, then the tolerance zone patterns are separate and independent of each other (Fig. 9.22). In short, there are k\mathrm{x}n independent tolerance zone patterns and the specification does not define a pattern specification.
Table 9.3 Symbols used to describe a multi-level single indicator pattern specification
Fig. 9.22 Six independent pattern specifications
If the first element of the sequence is SZ and the following element is CZ, then there are k independent tolerance zone patterns (SZ), composed of \mathrm{n} individual tolerance zones locked together with orientation and location constraints (CZ).
If all the elements of the sequence are CZ, then there is one tolerance zone pattern, and the specification consists of one combined zone (tolerance zone pattern), applied to a set of \mathrm{k} \times \mathrm{n} geometrical features.
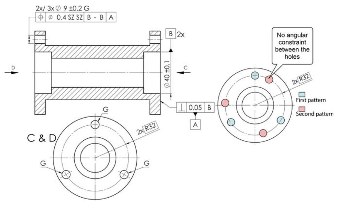
The first specification (SZ CZ) in Fig. 9.23 controls two independent pattern specifications. The tolerance features are sets of extracted median lines and the two tolerance zone patterns are independent of each other (no angular constraint between them). Each tolerance zone pattern is a combined zone of three {0.2}\mathrm{\;{mm}} diameter cylinders, constrained between each other in orientation (parallelism) and in location (equidistanced angularly on a {32}\mathrm{\;{mm}} diameter cylinder).
The second specification defines a two-level pattern (CZ CZ: a tolerance zone pattern of two tolerance zone patterns) applied to six \left( {2 \times 3}\right) extracted median lines.
Two tolerance zone patterns are defined with the last CZ of the sequence (CZ CZ). Each tolerance zone pattern is a combined zone of three {0.5}\mathrm{\;{mm}} diameter cylinders, constrained between each other in orientation (parallelism) and in location (equidistanced angularly on a {32}\mathrm{\;{mm}} diameter cylinder).
The two tolerance zone patterns are not independent, as they are constrained to each other in orientation (parallelism) and in location (the axes of each tolerance zone pattern are coaxial, 0\mathrm{\;{mm}} ,and the tolerance zone patterns are rotationally locked at \left. {0}^{ \circ }\right)
When used to identify a group of features, the group may be indicated on a drawing by surrounding the features with a long-dashed double-dotted narrow line (05.1 line type according to ISO 128-24, see Fig. 9.24).
Fig. 9.23 Example of indication of a two-level single indicator pattern specification
Fig. 9.24 Example of an indication of a multi-level single indicator pattern specification
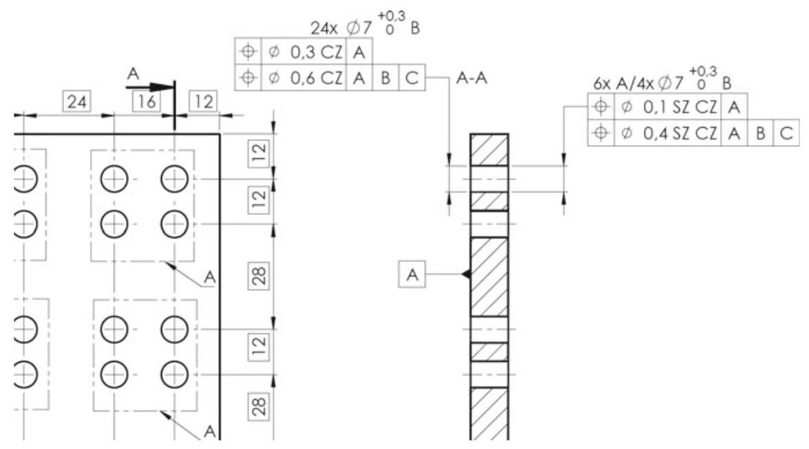
The first specification (SZ CZ with datum A) in Fig. 9.24 controls six independent pattern specifications. The tolerance zone pattern (combined zone) for each pattern specification is composed of four {0.1}\mathrm{\;{mm}} diameter cylindrical zones with an orientation constraint (parallel to each other and perpendicular to datum A) and with a location constraint between one another ( {16}\mathrm{\;{mm}} apart in a horizontal direction and 12 mm apart in a vertical direction).
The second specification (CZ CZ with datum A) controls six dependent pattern specifications and results in only one pattern specification. The tolerance zone pattern (combined zone) is composed of twenty-four 0.3 mm diameter cylindrical zones with an orientation constraint (parallel to each other and perpendicular to datum A) and with a location constraint between each other (16 mm [24 mm between the groups] apart in a horizontal direction and {12}\mathrm{\;{mm}} [28 mm between the groups] apart in a vertical direction).
The third specification (SZ CZ with datums A, B and C) defines six independent pattern specifications constrained in location by datum B and datum C. The tolerance zone pattern (combined zone) of each pattern specification is composed of four {0.4}\mathrm{\;{mm}} diameter cylindrical zones with an orientation constraint (parallel to each other and perpendicular to datum A) and with a location constraint between each other (16 mm apart in a horizontal direction and {12}\mathrm{\;{mm}} apart in a vertical direction and constrained by datums B and C at a distance of {12}\mathrm{\;{mm}} ).
The fourth specification (CZ CZ with datum system A, B and C) controls six dependent pattern specifications, constrained in location from datum B, resulting in only one pattern specification. The tolerance zone pattern (combined zone) is composed of twenty-four {0.6}\mathrm{\;{mm}} diameter cylindrical zones with an orientation constraint (parallel to each other and perpendicular to datum A) and with a location constraint between one another ( {16}\mathrm{\;{mm}} [24 mm between the groups] apart in a horizontal direction, {12}\mathrm{\;{mm}} [28 mm between the groups] apart in a vertical direction and constrained by datums B and C at a distance of {12}\mathrm{\;{mm}} ).
An alternative specification indicated by a CZ CZ modifier in the tolerance section, is a specification (with the same meaning) applied to one tolerance zone pattern consisting of m\left( { = k \times n}\right) geometrical features,indicated by one CZ modifier in the tolerance section, as illustrated in Fig. 9.25.
9.2.4 Calculation of a Geometrical Position Tolerance
When geometrical position tolerances are applied, the value of the tolerance is calculated from the mating conditions, that is, from the maximum and least dimensions allowed for the features that have to be mated.
Figure 9.26 shows the case of a mating of a plate with four holes and a centring connection hole, attained by means of bolted joints (that is, a bolt and a nut) of a nominal diameter M6 to a second plate with a central pin; the problem arises of how to calculate the position tolerances of the plate with clearance holes for the fasteners. Therefore, the functional condition requires the use of the MMVC boundary methodology, that is, with the maximum material requirement.
Fig. 9.25 Alternative indication with the same meaning as in the previous figure
Fig. 9.26 Example of a Floating Fastener Assembly
The floating fastener formula is:
where {\mathrm{F}}_{\mathrm{{MMC}}} is the diameter of the clearance hole at maximum material conditions and V is the size of the fastener (the relative tolerance is neglected).
Fig. 9.27 Drawing of the two plates joined by bolts with the calculated position tolerance
Let us assume that a hole diameter of 7\mathrm{\;{mm}} has been chosen for both plates (clearance hole for fasteners,ISO 273) and that deviations of \pm {0.2}\mathrm{\;{mm}} have been assumed for the holes (foreseen according to ISO 2768-m for general dimensional tolerances). The diameter of the hole at the maximum material condition is FMMC = {6.8}\mathrm{\;{mm}} and the nominal diameter of the screw is \mathrm{V} = 6\mathrm{\;{mm}} . Therefore,the position tolerance of the holes is:
which applies to each part of the assembly. The mating of the two plates, for the most critical conditions, is also shown in Fig. 9.26, which graphically shows the correctness of the adopted formula.
Figure 9.27 illustrates the proposed functional dimensioning of the two plates with the calculated position tolerances.
Figure 9.28 instead indicates the joining of the same two plates when fixed fasteners are used; in this case, the holes in one component of the assembly are threaded holes. The fixed fastener formula is:
The total tolerance may be divided equally between the two plates; the formula can be demonstrated considering the mating with fixed fasteners shown in the same figure. The position tolerance of plate A\left( {T}_{1}\right) and plate B\left( {T}_{2}\right) can also be calculated with the following formula:
Fig. 9.28 Mating of the two plates with fixed fasteners: calculation of the position tolerances
The dimensioning proposal of the two plates is shown in Fig. 9.29 (the omission of a maximum material modifier on the threaded hole should be noted).
Unfortunately, the preceding formulas do not provide sufficient clearance for the fixed fastener case when threaded holes are out of square. In fact, the inclination of a fixed fastener is governed by the inclination of the threaded hole in which it is assembled, and this effect could cause fasteners, such as screws, studs or pins, to interfere with the mating parts (Fig. 9.30). In order to take into consideration this condition, the projected tolerance zone method of positional tolerancing should be applied to threaded holes (as explained in the next section).
Fig. 9.29 Drawing of the two plates connected by means of fixed fasteners with the calculated position tolerance. It should be noted that a maximum material requirement is not used to control the position of the M6 threaded holes
Fig. 9.30 This figure points out that the inclination of the axis of the screw is governed by that of the threaded hole (the inclination is within the position tolerance limits of {0.4}\mathrm{\;{mm}} ). In order to avoid any interference,the minimum diameter of {7.3}\mathrm{\;{mm}} of the hole is chosen according to the thickness of the two components and the position tolerances
When the projected tolerance zone system is not used, it is necessary to select a positional tolerance and hole clearance combination that compensates for the allowable tilting of the axis of the fixed fastener feature. The following formula may be used :
where \mathrm{S} is the maximum thickness of the plate with the clearance hole, \mathrm{P} is the minimum thickness of the plate with the threaded hole,and {\mathrm{T}}_{1} and {\mathrm{T}}_{2} are the positional tolerance of the clearance hole and the positional tolerance of the tapped hole, respectively.
When the formula for the dimensions in Fig. 9.30 is applied, we obtain:
Figures 9.31 and 9.32 show simple practical examples of the calculation of position tolerances for the joining with floating and fixed fasteners; as can be seen, it is possible to divide the tolerance between the various features in both a uniform and non-uniform way (for example, using higher tolerances on components that are more expensive to manufacture).
Fig. 9.31 Practical examples for the calculation of position tolerances for the joining with floating fasteners
Fig. 9.32 Practical formulas that can be used to calculate the position tolerances for connections with fixed fasteners
9.2.5 Projected Tolerance Zone
The application of this concept is recommended whenever a variation in perpendicularity of threaded or press-fit holes could cause fasteners, such as screws, studs or pins, to interfere with mating parts. Let us consider, for example, the fixed fastener shown in Fig. 9.33; the position tolerance indicated in the drawing, and calculated by means of the previously seen formulas, is complied with, but when the assembly is carried out, an interference condition near the head of the fastener occurs. In order to avoid this problem, it is a good idea to utilise the projected tolerance zone concept, according to which the position tolerance is not established on the feature itself, but on its external projection. In practice, it is necessary to imagine projecting the tolerance zone outside the component for a certain length.
Fig. 9.33 The calculated position tolerance is respected in a joint with fixed fasteners, but when the assembly is carried out, an interference arises in that the inclination of the axis of the screw is governed by that of the hole
In this case, the toleranced feature is a portion of the extended feature, which is an associated feature constructed from the integral feature. The default association criterion for the extended feature is a minimised maximum distance between the indicated integral feature and the associated feature with the additional constraint of external contact with the material.
As can be deduced from Fig. 9.34, tolerance zone T is outside the threaded hole, whose position error may even be larger that T.
Such a projected zone should be indicated with a P symbol placed inside the tolerance indicator, and the length of the projected external zone should then be indicated, as shown in Fig. 9.35. As an alternative, it is possible to directly indicate the projected toleranced feature length by means of a “virtual” integral feature that represents the portion of the extended feature that should be considered. The virtual feature should be indicated in a clearer way with a long-dashed, double-dotted narrow line (05.1 line type according to ISO 128-24), as shown, as an alternative, in Fig. 9.35.
The extension of the projected tolerance zone (P) outside the threaded hole is a minimum value, and it also represents the maximum thickness of the workpiece that has to be mated. Whenever one does not want to apply this concept, it is preferable to combine a perpendicularity tolerance with the position requirement.
Fig. 9.34 The tolerance zone is projected outside the threaded hole, in order to avoid any interference
Fig. 9.35 Indication of a geometrical specification with a projected tolerance modifier using direct and indirect indication of the length of the projected toleranced feature in the tolerance indicator
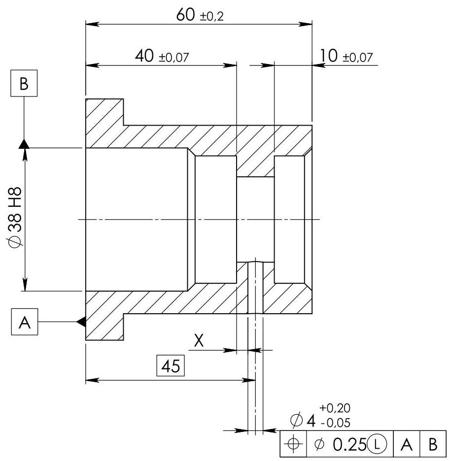
By default, the origin of the projected feature should be at the location of the reference plane, and the end corresponds to the shift in the length of the projected feature from its origin in the direction outside the material. If the origin of the projected feature is displaced from the reference surface by an offset, this should be specified by means of a theoretically exact dimension (Fig. 9.36). As an alternative indication, the first value after the modifier should indicate the distance from the farthest limit of the extended feature and the second value (offset value), which is preceded by a minus sign, should indicate the distance from the nearest limit of the extended feature (the length of the extended feature is the difference between these two values).
Fig. 9.36 Interpretation of an indirect indication of a projected tolerance with an offset
A possible control method of the projected tolerance with a coordinate measuring machine that controls the positioning of threaded cylindrical features, with a projection equal to the length of the projected tolerance zone, screwed onto holes that have to be controlled, is shown in Fig. 9.37.
Fig. 9.37 Inspection of the projected tolerance zone: a coordinate measurement machine controls the position and orientation error of the functional gauges, which is of a length that is equal to the projected tolerance. The gauges are screwed onto the workpiece
9.2.5.1 Indication of a Datum with a P Modifier
When the P modifier is placed in the tolerance frame after a letter indicating a datum established from a feature of size, then the datum feature should be established by fitting an associated feature of the projected length to the extension of the real feature and not to the real integral feature itself. The P modifier can be applied to a secondary or tertiary datum, but has no effect when it is applied to a primary datum. An example of the application of modifier P to a secondary datum is shown in Fig. 9.38.
9.2.6 Position Tolerances in the ASME Standards
There is a substantial difference in the specification of a position tolerance in the ISO and ASME standards. The ASME standards specify, without any shadow of doubt, that the position tolerance symbol should only be utilised for a “feature of size”, while the ISO standards allow it to be used to position planar surfaces (Fig. 9.39). In order to avoid specification errors (for example, the erroneous use of maximum material modifiers), it is advisable to always follow the ASME standard indications.
Fig. 9.38 Example of the application of modifier (P) to a secondary datum
Fig. 9.39 The use of the position symbol for planar surfaces is forbidden in the ASME standard
The ISO and ASME standards use two different approaches to control the location of a feature of size: the ISO standards, in order to locate a feature of size, define the concept of extracted median line or median surface. Instead, in the ASME standards, the axis or median plane is used to control the location of a feature of size.
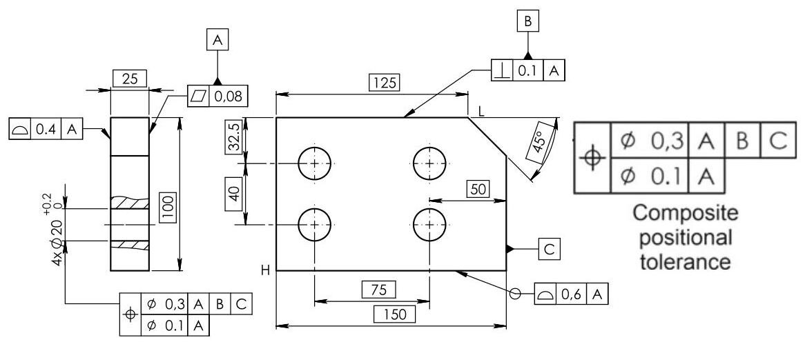
9.2.6.1 Composite Positional Tolerances in ASME Y14.5
There are many practical applications in which the positioning of the holes of a component, with respect to the datums, is less important than the accuracy of the position of each single hole within the pattern of holes.
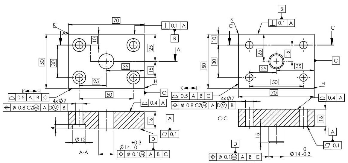
Let us consider the drawing of the plate shown in Fig. 9.40 in which, as a design requirement, the joint with bolts is specified and, at the same time, a great precision in the positioning of the holes in the plate, with respect to the datums, is not necessary.
In this case, the position tolerance is specified by a dual tolerance indicator that has one position symbol, which is specified with two tolerance information lines in order to indicate a position tolerance for both the control of the location of the features with respect to one another (lower segment of a composite position tolerance frame) and for the location of the pattern of the holes with respect to the specified datums (upper segment).
In order to obtain a correct interpretation of the drawing, it is necessary to take into due consideration that each indication must be respected independently, that is, the lower frame should indicate that the derived median line of each of the four holes, in the maximum material condition,should fall within a {0.1}\mathrm{\;{mm}} diameter tolerance zone. This constitutes a hole-hole position relationship of the set.
The upper frame refers to the pattern of holes and, in practice, specifies the orientation and positioning of the pattern of holes: in this case, the axis of each hole should fall within a {0.3}\mathrm{\;{mm}} diameter cylindrical tolerance. The position tolerance zones are placed in their theoretically exact positions with respect to three datums, A, B and C. This constitutes a position relationship of a pattern of holes. The tolerance zone in the lower frame should always be smaller than the tolerance zone in the upper frame. In composite tolerances, the feature-feature relationship (lower frame) is defined with the term Feature-Relating Tolerance Zone Framework(FRTZF, which is pronounced “Fritz”), while, for position tolerances of the set of features (upper frame), the Pattern-Locating Tolerance Zone Framework term (PLTZF, pronounced “Plahtz”) is used.
Fig. 9.40 A composite positional tolerance with multiple segments may be used for the case in which the positioning of each single hole within a pattern of holes is important, while the positioning of the holes with respect to the datums does not need to be very precise
Fig. 9.41 Interpretation of the upper and lower frames of a composite tolerance. The circled dimensions indicate the distances controlled by each segment of the composite frame
Figure 9.41 clarifies the interpretation of the position of the pattern of the four holes with respect to the datums. Therefore, two levels of control of the pattern of holes exist: the position tolerance zones of the upper frame are placed in their theoretically exact position with respect to three datums, A, B and C. The tolerance zones in the lower frame control the position and orientation errors of a hole with respect to another hole and to the perpendicularly to the specified datum, A. The pattern of holes may therefore rotate and move within the tolerance boundaries of the upper segment, but should remain perpendicular to referenced datum A.
Many practical applications exist in which the positioning of the holes of a plate, with respect to the boundary, is less important than the orientation of the pattern of holes. A typical example is the plate with the assembly shown in Fig. 9.42, whose position, with respect to the edges, is less problematic than the orientation of the holes, which would produce an aesthetically negative result. The upper frame has a wide tolerance in order to specify the position of the holes with respect to the borders. The lower frame has a narrow tolerance, and it not only specifies the spacing between the holes, but also controls the orientation of the two holes with respect to datum A (perpendicularity) and datum B (parallelism, Fig. 9.43).
As noted in the previous paragraphs, in ISO standard 5458 a pattern of features of size may have multiple levels of positional control as a result of the use of appropriate symbols. Since the ISO standard no longer uses composite tolerance, it is possible to specify the tolerance of the multiple level positions with the symbols shown in Fig. 9.44.
Fig. 9.42 In this example, the position with respect to the edges of the plate is less problematic than the orientation of the pattern of the holes, which would produce an aesthetically negative result. A composite position tolerance is therefore very useful
Fig. 9.43 The use of composite positioning. The upper frame has a large tolerance in order to specify the position of the holes with respect to the edges. The lower frame has a narrow tolerance in order to control the error over the distance between holes and, at the same time, it specifies the orientation of the two holes with respect to datum A (perpendicularity) and datum B (parallelism)
9.2.6.2 Control with Functional Gauges
As pointed out in the previous sections, the ISO standard is defined as “CMM Friendly”, that is, the preferred control system is the coordinate measurement machine. The ASME standard is based on the idea of specifying the geometrically perfect zones within which the real surfaces should fall. This is often indicated as a preference for “hard gauging”, which means that it is possible to construct functional gauges that represent a physical representation of the tolerance zone.
Fig. 9.44 Since the ISO standard no longer uses composite tolerance, it is possible to specify the tolerance of the multiple level positions with the symbols CZR and
A functional gauge basically represents the materialisation of the feature that has to be mated (worst case) according to the specifications indicated on the drawing. In short, a gauge is nothing more than a simulated physical datum feature that allows the relationships between geometrical and dimensional errors to be verified at the same time, and the effect of an increase in tolerance, due to a maximum material modifier applied to either the feature itself (bonus) or to the datums (called shift or MMB), to be foreseen. The tolerance on a gauge is generally about {10}\% of the tolerance that has to be controlled,under a temperature condition of {20}^{ \circ } and humidity no higher than 45%. If a functional gauge is mated with the piece that has to be controlled, it is possible to be almost absolutely certain of the correct assembly with the mating counterpart.
A functional gauge is a gauge that is built to a fixed dimension (the virtual condition) of a part feature. A part must be able to fit into (or onto) the gauge. A functional gauge does not provide a dimensional measurement; it only indicates whether the part is compliant or not with the drawing specification. Since these control instruments have fixed dimensions, the additional tolerance (bonus) that is allowed, for example, for a hole produced at the limits of the maximum dimensions (or the dynamic “shift” of a datum subject to dimensional variations) is easily “captured” by the functional gauge. Moreover, functional gauges can easily be used by personnel with the minimum preparation in metrology, and they can significantly reduce the overall geometrical and dimensional verification times.
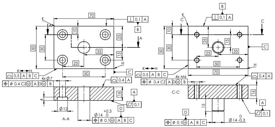
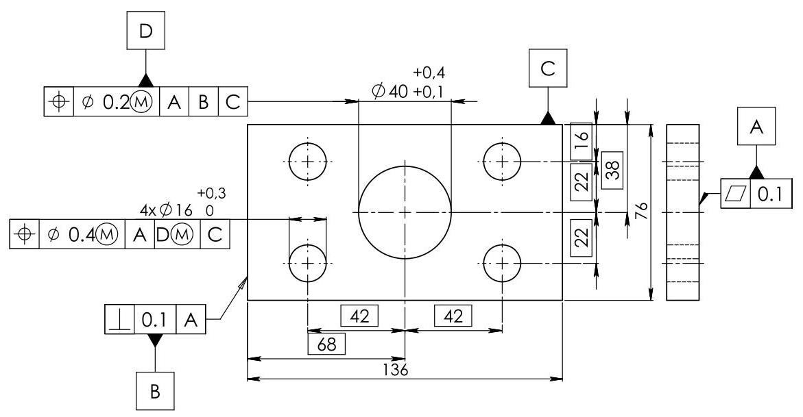
Fig. 9.45 Dimensioning of a plate (ASME) with the positioning of the central hole with respect to three functional datums,while the 4 holes are correlated with the {40}\mathrm{\;{mm}} hole,considered as a datum and indicated with the letter D (with a maximum material modifier)
A drawing of a plate is shown in Fig. 9.45, where the central hole and the four {16}\mathrm{\;{mm}} holes are positioned with respect to a 3 plane datum system,DRF,while the four {40}\mathrm{\;{mm}} holes are correlated with the central hole,considered as a datum and indicated with the letter D. As datum D is a feature of size, it is possible to apply the position tolerance with a maximum material modifier applied to either the feature itself (bonus) or to the datum (shift). The plate is controlled with the help of two functional gauges, one for the control of the central hole (DRF system [A, B and C]) and the other for the four {40}\mathrm{\;{mm}} holes (DRF system [A,D and C]).
As can be observed in Fig. 9.46, a functional gauge, constituted by three perpendicular surfaces that simulate the datums (A, B and C), is used to control the hole. The central pin of the gauge (whose correct insertion allows the workpiece to be accepted) has a diameter that corresponds to the virtual dimension, which means that it is necessary to subtract the geometrical tolerance from the maximum material dimensions of the hole: {40.1} - {0.2} = {39.9}\mathrm{\;{mm}} .
The second gauge is constituted by a simulator of datum A, a mobile plane used to simulate datum C and a fixed pin with the virtual dimensions of {39.9}\mathrm{\;{mm}} (Fig. 9.47). The mobile datum only has the purpose of blocking the component, by stopping the rotation. The verification is carried out with 4 mobile pins at a virtual dimension of {16}\mathrm{\;{mm}} - {0.4}\mathrm{\;{mm}} = {15.6}\mathrm{\;{mm}} .
In this way, when the diameter of datum D is larger than 40.1 mm, it is possible to translate (shift) the component in order to compensate for a position error of the pattern of 4 holes. The shift does not increase the position tolerance, but it does allow the pattern of 4 holes to be shifted in any direction with respect to the functional datums.
Functional gauges offer the following advantages:
(1) a workpiece can be controlled immediately and quickly;
(2) particular technical knowledge is necessary to use them;
(3) a workpiece that does not comply with the tolerance is never accepted;
(4) they represent the physical materialisation of the workpiece that has to be mated;
(5) they allow the effect of the bonus and of the virtual conditions to be understood. However, they also suffer from the following disadvantages:
(a) they are expensive to build;
(b) even a minimum variation of the design of a workpiece renders them obsolete;
(c) they do not quantify the results of the control;
(d) they require a great design effort.
In conclusion, functional gauges are enormously costly, in design, building and maintenance terms, and they require that a part of the tolerance that has to be verified is sacrificed (usually about 10%) in order to supply the tolerance for the manufacturing of the gauge itself. Moreover, they do not quantify the results of a control, and even a minimum variation is sufficient to make them obsolete. For these reasons, the use of functional gauges is generally limited to those cases in which a large quantity of components must be verified in such a way that the reduced inspection time may compensate for the elevated cost of producing the gauge. For this reason, the verification of geometrical tolerances is carried out, for the great majority of manufactured workpieces, through the manual elaboration of the data collected with traditional measurement equipment, or by means of software, utilising coordinate measuring machines (CMM, Fig. 9.48).
Fig. 9.46 Control of the central hole of a plate by means of a functional gauge. The central pin has a diameter that corresponds to the virtual dimension
Fig. 9.47 The second gauge used to control the position error of the four {16}\mathrm{\;{mm}} holes. When the datum has a maximum material modifier, the gauge is made up of a pin fixed at the virtual dimension of {39.9}\mathrm{\;{mm}} . In this way,when the datum diameter D is larger than {40.1}\mathrm{\;{mm}} ,it is possible to translate (shift) the component to compensate for the position error of the pattern of 4 holes
Fig. 9.48 Control of the position of a hole utilising a coordinate measuring machine (CMM)
9.3 Concentricity and Coaxiality Tolerances
It is important to not confuse the concept of concentricity (with reference to geometrical features that have the same centre) with coaxiality (with reference to features that have the same axis). In fact, concentricity is the condition whereby an extracted centre of a circle is congruent with a datum point.
Instead, coaxiality is the condition of a derived median line that should be aligned with a datum axis. The concentricity tolerance zone, or the coaxiality tolerance zone, is always circular (concentricity) or cylindrical (coaxiality).
Fig. 9.49 Indications and interpretation of a concentricity tolerance applied to a feature of size, indicated with an ACS (All Cross Section) modifier to point out that the concentricity applies to each transversal section
Figure 9.49 illustrates the indications of a concentricity tolerance applied to a central point of a feature of size, indicated with an ACS (Any Cross Section) modifier to point out that the concentricity applies to each transversal section. The extracted centre of the inner circle of any cross-section should be within a {0.2}\mathrm{\;{mm}} diameter circle, which is concentric with datum point A, defined in the same cross-section as the centre of the external associate circle.
A coaxiality tolerance is applied to an extracted median line of a feature of size, as shown in Fig. 9.50. In this case, the extracted median line should fall within a {0.1}\mathrm{\;{mm}} diameter cylindrical zone,whose axis is datum A,and which is obtained from the cylinder associated with datum feature A.
When the maximum material condition (MMC) is applied to a coaxiality tolerance, the control of a virtual boundary (MMVC) is obtained (Fig. 9.51), with the advantage of obtaining an increase in the tolerance; in this case, the boundary of the hole should not violate the tolerance zone (MMVC) constituted by a {47.9}\mathrm{\;{mm}} diameter cylinder, whose axis coincides with datum axis A, obtained from the associated external cylinder.
Fig. 9.50 The extracted median line should fall within a {0.1}\mathrm{\;{mm}} cylinder,whose axis is datum A, obtained from the cylinder associated with datum feature A
Fig. 9.51 When the maximum material condition (MMC) is applied to a coaxiality tolerance, the boundary of the hole should not violate the tolerance zone constituted by a {47.9}\mathrm{\;{mm}} cylinder,whose axis coincides with datum axis A, obtained from the associated external cylinder
9.3.1 Concentricity in ASME Y14.5
The concentricity and symmetry symbols were removed from the 2018 edition of the ASME Y14.5 standard, thereby eliminating the confusion that surrounds these symbols and their misapplication (many organisations, such as General Motors, had banned the use of these tolerances decades before). These two concepts shown in the 1994 and 1982 versions of Y14.5 have always been controversial and complicated. These symbols controlled the opposing median points of a feature (not the axis or centreplane) relative to a datum and this is rarely a functional requirement.
With respect to the ISO GPS standard, in which a derived median line that should be aligned to a datum axis is controlled, in the case of the ASME standard, if the concentricity tolerance refers to revolution surfaces, the median points of the features diametrically opposite the surfaces should fall within a cylindrical tolerance zone, whose axis coincides with the axis taken as a datum. The diameter of the cylinder is equal to the concentricity control tolerance value (Fig. 9.52). The median points are derived directly from the surface of the workpiece, and the roundness or form errors therefore have an effect on the concentricity tolerance.
Fig. 9.52 Interpretation of the concentricity tolerance in ASME Y14.5:2009
In short, since a cloud of points is controlled (not the axis of a feature of size), the maximum material condition and the least material condition are not applicable.
Since inspecting concentricity requires the establishment and verification of the location of the median point of a feature, which must be inside a cylindrical tolerance zone, it requires the inspector to find the median point of many opposite point pairs, thus these tolerances are time consuming and potentially expensive to use. When checking concentricity, all the errors of form of a feature have an effect, since when a dial indicator is in contact with a feature surface, the form errors and coaxiality are indistinguishable from one another and it is necessary to proceed with other methods to control concentricity.
The most typical use of concentricity may involve the verification of the balancing of a rotating part, in spite of the fact that the control is influenced by the inhomogeneity of the material. Although the complexity and difficulty of the verification of concentricity have been demonstrated, American standards advise its use in technical drawings, but prefer the run-out tolerance as an optimal alternative (which controls both the form and coaxiality).
9.4 Symmetry Tolerances
Symmetry represents the condition of a median surface that is congruent with respect to a median plane taken as a datum. A symmetry error is the deviation of the points of the median surface from the plane taken as a datum. Figure 9.53 shows an example of a symmetry tolerance: the extracted median surface should fall between two parallel planes $ {0.1}\mathrm{;{mm}} $apart,which are symmetrically arranged about datum plane A.
Fig. 9.53 Interpretation of the tolerance zone of a symmetry control. The extracted median surface of the slotting should fall within two parallel planes {0.1}\mathrm{\;{mm}} apart,arranged symmetrically with respect to the median plane of datum feature A
9.4.1 Symmetry in ASME Y14.5
In the same way as for concentricity, this control has been removed from the ASME standards.
While the error of a derived median surface that should be congruent with a median plane, taken as a datum, is controlled in the ISO standard, in the ASME Y14.5:2009 standard, symmetry represents the condition at which the median points of all the opposite elements of two surfaces are congruent with respect to a median plane (or centreplane) taken as a datum. The symmetry error is the deviation of the median points from the plane considered as a datum.
The control of a derived median surface is very complex and costly, and for this reason the indication of this type of tolerance is often discouraged. In order to avoid this problem, the control of symmetry can also be carried out by means of a position tolerance; in this case, the position of an abstract feature, such as a centreplane or axis, is controlled.
Figure 9.54 shows an example of the use of a position tolerance applied to a median plane of a slot and with respect to a datums A and B. The central datum plane, for internal features, is constituted by a symmetry plane between two parallel planes which, at the maximum distance, are in contact with the corresponding surfaces of the workpiece. This central plane of the unrelated AME of the slot should remain within a tolerance zone between two parallel planes$ {0.8}\mathrm{;{mm}} $ apart and should be arranged symmetrically with respect to median plane B.
Fig. 9.54 Use of a position tolerance applied to a median plane of a slot
Fig. 9.55 Symmetrical relationship controlled by specifying a positional tolerance at MMC with a datum feature specified on an MMB. No element of the component surfaces should violate a theoretical VC boundary of an identical shape located at the true position
A symmetrical relationship may be controlled by specifying a positional tolerance at MMC, as in Fig. 9.55. The datum feature may be specified on an MMB, LMB or RMB basis, depending on the design requirements. While specified size limits of the feature of size should be maintained, no element of its surface should violate a theoretical boundary of an identical shape located at the true position.

























































